DETAIL SPECIFICATION SHEET
INCH-POUND
MS9826B
02 August 2007
SUPERSEDING MS9826A
7 September 1972
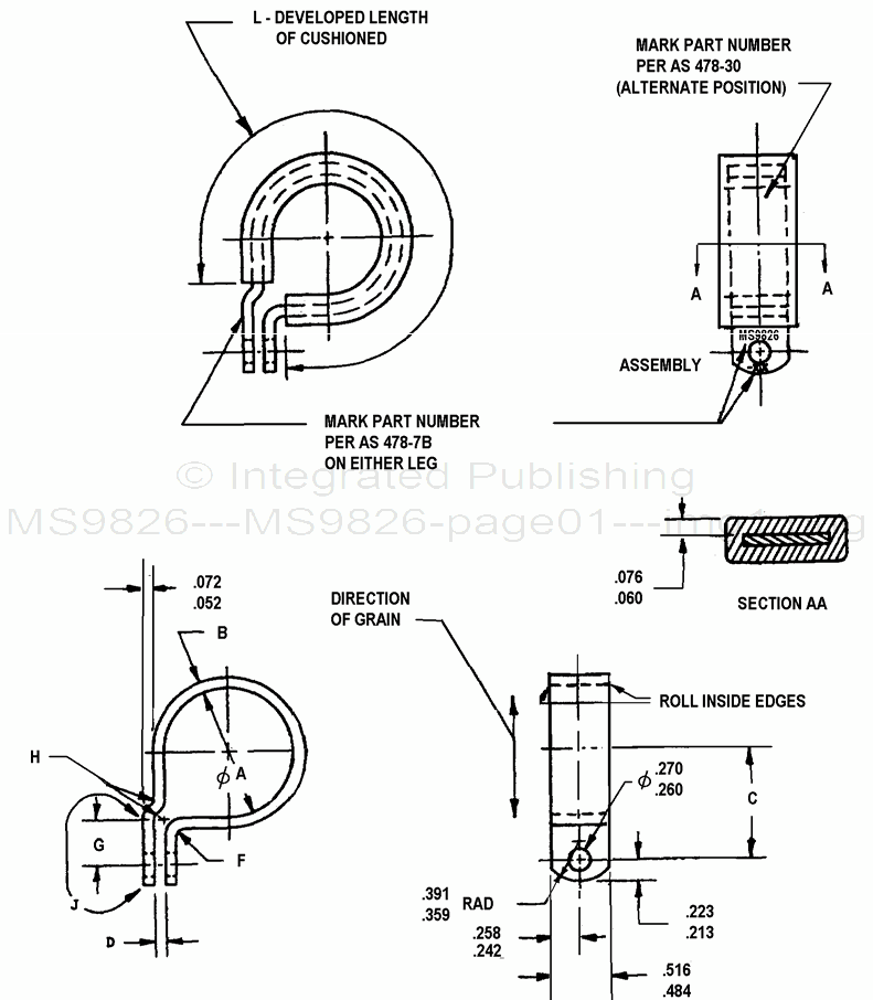
CLAMP, LOOP-CUSHIONED, JOGGLED, CORROSION RESISTANT STEEL, .265 HOLE
This specification is approved for use by all Department and Agencies of the Department of Defense.
INACTIVE FOR NEW DESIGN AFTER 7 SEPTEMBER 1972

FIGURE 1. Clamp configuration and dimensions.
AMSC N/A FSC 5340
For Parts Inquires call Parts Hangar, Inc (727) 493-0744
© Copyright 2015 Integrated Publishing, Inc.
A Service Disabled Veteran Owned Small Business