
INCH-POUND
MIL-DTL-85052/3C
30 March 2005
SUPERSEDING
MIL-C-85052/3B
30 MAY 1984
DETAIL SPECIFICATION SHEET
o
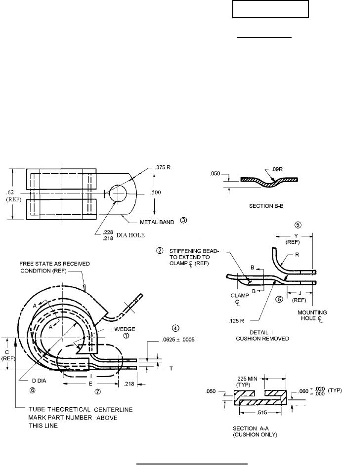
CLAMP, LOOP, TUBE-17-7 PH CRES, 500 F
This specification is approved for use by all Departments and Agencies of the Department of
Defense. The requirements for acquiring the product described herein shall consist of this
specification sheet and MIL-DTL-85052.
FIGURE 1. Clamp design and construction.
AMSC N/A
FSC 5340
For Parts Inquires call Parts Hangar, Inc (727) 493-0744
© Copyright 2015 Integrated Publishing, Inc.
A Service Disabled Veteran Owned Small Business